

Informazioni sulle spedizioni e consegne saranno disponibili a breve.
authorized service center and original spare parts Worldwide Distributor. We offer low prices and a professional repair service able to advise you for to purchase the most suitable spare part to quickly solve any maintenance and repair issues for Brushcutter ABR 32 (2020) 287220004/A20.
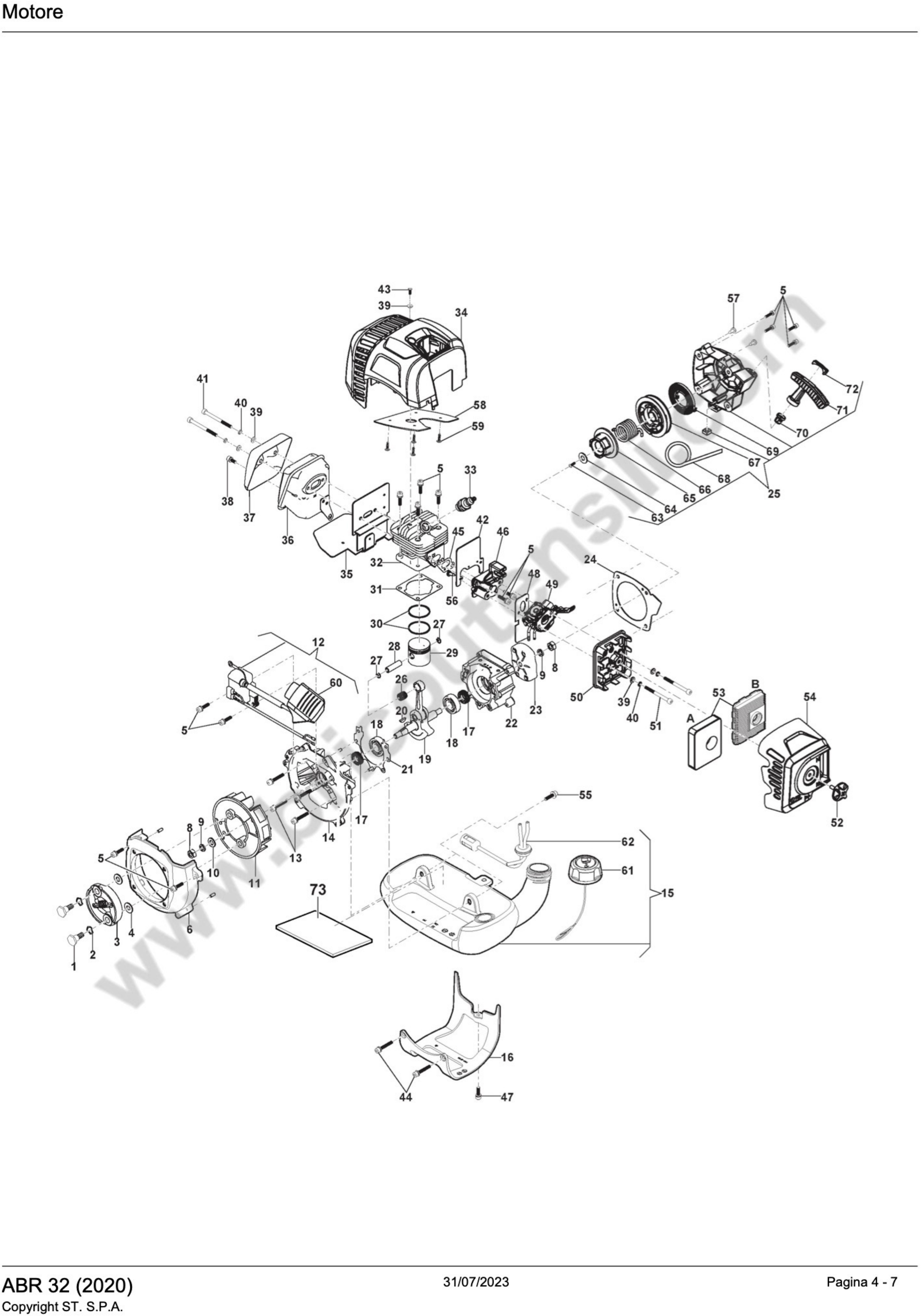
In the following table, look for the model of the Brushcutter and the respective parts of the code.![]()
| ALPINA ABR 32 (2020) 287220004/A20 Spare Parts | ||
| Engine Pag.1 | ||
| # | Part Num. | Description |
| 1 | 118804038/0 | Screw |
| 2 | 118804045/0 | Washer |
| 3 | 118804000/0 | Clutch ASSY |
| 4 | 118804046/0 | Washer |
| 5 | 112789008/0 | Screw |
| 6 | 118804032/0 | Flywheel cover |
| 8 | 112293200/0 | Nut |
| 9 | 112369500/0 | Spring Washer |
| 10 | 112521350/0 | Washer |
| 11 | 118804012/0 | Flywheel |
| 12 | 118804011/0 | Ignition Coil Assy |
| 13 | 2135130 | Screw |
| 14 | 118804024/0 | Engine Crankcase, Clutch Side |
| 15 | 118804003/0 | Tank assembly |
| 16 | 118803961/0 | Holder |
| 17 | 118801188/0 | Oil Seal |
| 18 | 3112030 | Ball bearing |
| 19 | 118803988/0 | CRANKSAHFT |
| 20 | 123072002/0 | Flywheel Key |
| 21 | 118804076/0 | Engine Crankcase Gasket |
| 22 | 118804026/0 | Engine Crankcase, Starter Side |
| 23 | 118803996/0 | Starter cup |
| 24 | 118804051/0 | Gasket |
| 25 | 118803994/0 | Starter assembly |
| 26 | 118803997/0 | Needle Bearing |
| 27 | 118804059/0 | Circlip |
| 28 | 118804041/0 | Piston Pin |
| 29 | 118804031/0 | Piston |
| 30 | 118804021/0 | Piston Ring |
| 31 | 118804077/0 | Cylinder Gasket |
| 32 | 118804030/0 | Cylinder |
| 33 | 3210024 | Spark Plug |
| 34 | 118805294/0 | Cylinder cover, Black |
| 35 | 118804084/0 | Muffler Gasket |
| 36 | 118803991/0 | Muffler |
| 37 | 118804047/0 | Muffler Guard |
| 38 | 2135180 | Screw |
| 39 | 112521320/0 | Washer |
| 40 | 112581500/0 | Grower |
| 41 | 6981283 | Outfit screws |
| 42 | 118804053/0 | Cylinder Manifold Gasket |
| 43 | 112727796/0 | Screw |
| 44 | 2135120 | Screw |
| 45 | 118804078/0 | Gasket |
| 46 | 118804067/0 | Intake manifold |
| 47 | 6981102 | Outfit screws |
| 48 | 118804082/0 | Carburettor gasket |
| 49 | 118804007/0 | Carburetor |
| 50 | 118804063/0 | Air Filter Base |
| 51 | 2135250 | Screw |
| 52 | 118803174/0 | Knob, Gray |
| 53 | 118804074/0 | Air Filter Element Sponge |
| 53 | 118804547/0 | Air filter, Paper |
| 54 | 118805295/0 | Filter cover, Black |
| 55 | 112760475/0 | Screw |
| 56 | 6981268 | Screw |
| 57 | 112727356/0 | Screw |
| 58 | 118804086/0 | Air Guide |
| 59 | 112727810/0 | Screw |
| 60 | 118803163/0 | Spark Plug Cap |
| 61 | 322735152/0 | Tank Cap |
| 62 | 118804006/0 | Fuel Hose |
| 63 | 112727790/0 | Screw |
| 64 | 112523020/0 | Washer |
| 65 | 118803975/0 | Starter cam |
| 66 | 118804061/0 | Starter spring |
| 67 | 118803976/0 | Starter pulley |
| 68 | 118803181/0 | Starter rope |
| 69 | 118804060/0 | Spring |
| 70 | 118804068/0 | Rope guide |
| 71 | 118803984/0 | Starter handle |
| 72 | 118804069/0 | Starter Plate Yellow |
| 73 | 118805308/0 | Heat insulation label |
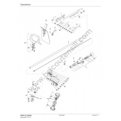
| ALPINA ABR 32 (2020) 287220004/A20 Spare Parts | ||
| Transmission Pag.2 | ||
| 1 | 118804001/0 | Support Transmission Assembly |
| 2 | 118804042/0 | Drive shaft |
| 3 | 118803959/0 | Transmission Pipe |
| 4 | 6981145 | Screw |
| 5 | 2132180 | Screw |
| 6 | 112727801/0 | Screw |
| 8 | 118804057/0 | Harness support |
| 9 | 2135180 | Screw |
| 10 | 118805297/0 | Front Handle Assembly, Gray |
| 11 | 118801184/0 | Gear Case Assy |
| 12 | 118804054/0 | Plastic Protection Guard Plate |
| 14 | 2132180 | Screw |
| 15 | 118803954/1 | Safety Cover Assy |
| 16 | 1911-9226-01 | Nylon Head Bump-N-Work Ø 109mm 1911-9226-01 (was 118810717/0) |
| 17 | 118801125/0 | Blade 3 Teeth 1.4 X 255mm |
| 19 | 118804016/0 | Harness |
| 20 | 118804037/0 | Clutch Drum |
| 21 | 118803966/0 | Left Handgrip [Yellow] |
| 22 | 118803972/0 | Right Handgrip [Yellow] |
| 23 | 118803149/0 | Switch |
| 24 | 118803147/0 | Switch |
| 25 | 118803150/0 | Throttle Lever, Yellow |
| 26 | 118803146/0 | Clamp |
| 28 | 118803151/0 | Spring |
| 29 | 118803148/0 | Spring |
| 30 | 112727810/0 | Screw |
| 31 | 112726388/0 | Screw |
| 32 | 118804014/0 | Switch |
| 33 | 118803985/0 | Throttle Cable |
| 34 | 118803155/0 | Stop Wire |
| 36 | 2452090 | Nut |
| 37 | 118803206/0 | Dust cover |
| 38 | 118803205/0 | Lower Ring Nut |
| 39 | 118803204/0 | Upper Ring Nut |
| 41 | 112727815/0 | Screw |
| 42 | 118803202/0 | Support |
| 43 | 118804056/0 | Line Cutter Blade |
| 44 | 6981149 | Screw |
| 45 | 112728531/0 | Screw |
| 46 | 118804058/0 | Guard |
| 50 | 118804890/0 | line retainer |
| 51 | 118804889/0 | Spring |
| 52 | 118804888/0 | Cover + Knob |
| 55 | 118805299/0 | Handle Assy, Grey |
| 56 | 118804957/0 | Cable Assy |
| 60 | 118805716/0 | Front Handle Lower Part Assy, Yellow |