

Informazioni sulle spedizioni e consegne saranno disponibili a breve.
authorized service center and original spare parts Distributors. We offer low prices and a professional repair service able to advise you for to purchase the most suitable spare part to quickly solve any maintenance and repair issues for Chain Saw P 34 (2006) 1231121.
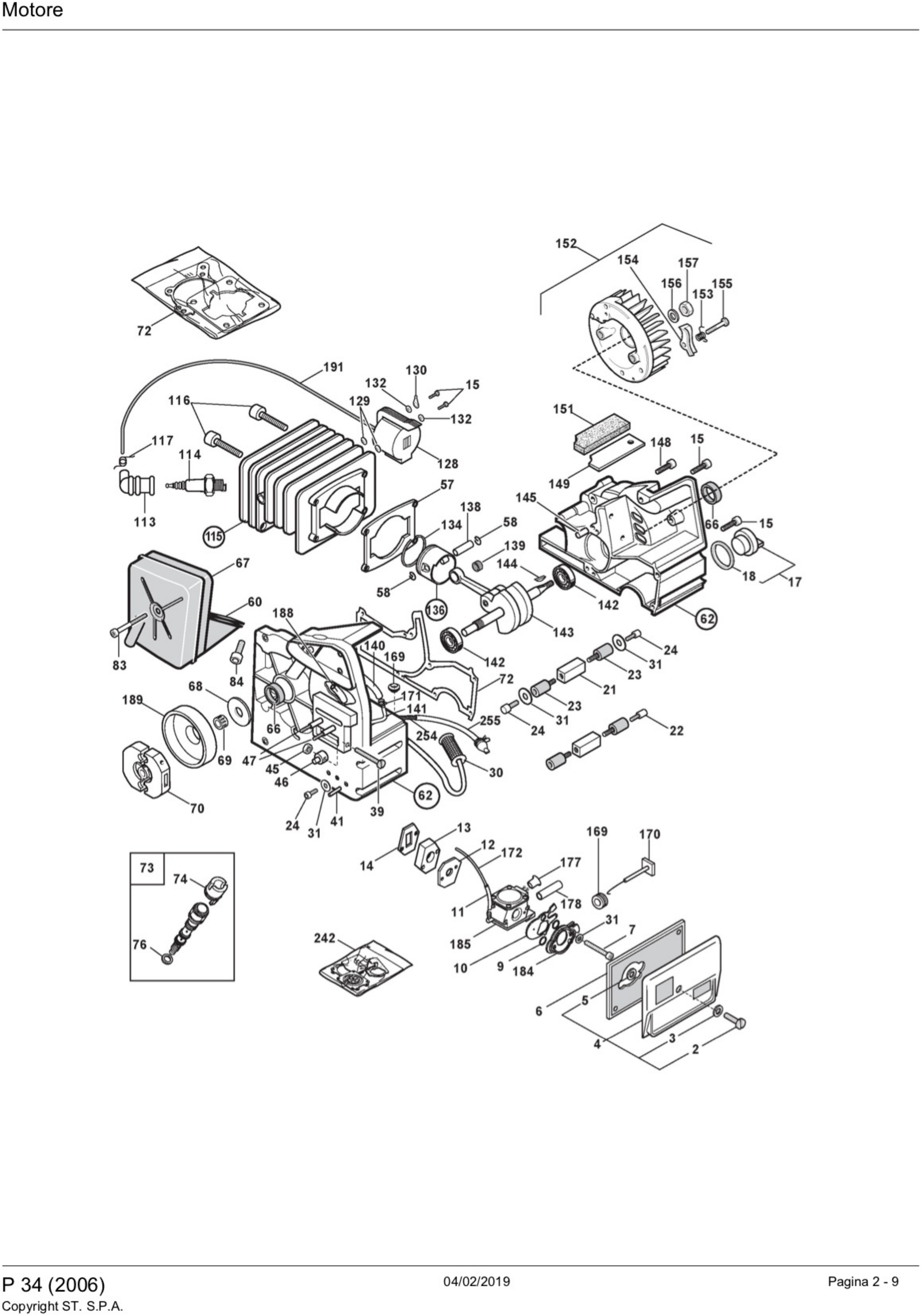
In the following table, look for the model of the Chain Saw and the respective parts of the code.![]()
| ALPINA P 34 (2006) 1231121 Pag.1 | ||
| # | Part Num. | Description |
| 2 | 2122260 | Screw |
| 3 | 2312090 | Washer |
| 4 | 8561810 | Air filter cover assembly |
| 5 | 3721030 | seal |
| 6 | 3781370 | Air filter |
| 7 | 2135250 | Screw |
| 9 | 3613010 | Washer |
| 10 | 3613071 | Starter valve |
| 11 | 3782630 | Tube |
| 12 | 3724290 | Carburetor gasket |
| 13 | 4250690 | Support |
| 14 | 3723950 | Support Gasket |
| 15 | 2132510 | Screw |
| 17 | 4251007 | Oil Tank Cap |
| 18 | 3721020 | Oil Cap Seal |
| 21 | 3630490 | Support |
| 22 | 2653320 | Screw |
| 23 | 3744170 | Anti-vibration rubber |
| 24 | 2135020 | Screw |
| 30 | 4251550 | Oil intake ass'y |
| 31 | 2321080 | Washer |
| 39 | 2122520 | Screw |
| 41 | 3314130 | Plug |
| 45 | 2432040 | Nut |
| 46 | 3641970 | Tightener block |
| 47 | 2610150 | Stud bolt |
| 57 | 3723970 | Cylinder gasket |
| 58 | 3356020 | Circlip |
| 60 | 3723940 | Muffler gasket |
| 62 | 3L8520877/1 | Crankcase Engine From 01-september-2005 |
| 62 | 8520877 | Crankcase Engine To 31-august-2005 |
| 66 | 3121070 | Seal ring |
| 67 | 4121700 | Muffler |
| 68 | 3613020 | Washer |
| 69 | 3114140 | Needle Bearing |
| 70 | 4250710 | Clutch assembly |
| 72 | 8723960 | Gaskets Set |
| 73 | 8630511 | Oil Pump Assembly |
| 74 | 3749471 | Bushing |
| 76 | 3721320 | O-RING - DISCONTINUED |
| 83 | 2135120 | Screw |
| 84 | 2135180 | Screw |
| 113 | 3748880 | Spark Plug Cap |
| 114 | 3210024 | Spark Plug |
| 115 | 8540600 | Cylinder - Piston assembly |
| 116 | 2135060 | Screw |
| 117 | 3657050 | Spark Plug Spring |
| 128 | 3210620 | Electronic coil |
| 129 | 2317110 | Washer |
| 130 | 3611990 | Earth cable |
| 132 | 2321050 | Washer |
| 134 | 3123150 | Piston Ring |
| 136 | 8540590 | Piston assembly |
| 138 | 3158190 | Piston pin |
| 139 | 3116020 | Needle Bearing |
| 140 | 3782640 | Oil Delivery Tube |
| 141 | 3624210 | Bent Pipe |
| 142 | 3112030 | Ball bearing |
| 143 | 8250640 | Crankshaft |
| 144 | 3151010 | Flywheel Key |
| 145 | 3180060 | Pin |
| 148 | 2132450 | Screw |
| 149 | 3749450 | Carburetor Protection - DISCONTINUED |
| 151 | 3723990 | seal - DISCONTINUED |
| 152 | 4152458 | Flywheel Ass'y |
| 153 | 3653030 | Spring |
| 154 | 3748440 | Flywheel Hook |
| 155 | 2652260 | Screw |
| 156 | 2312080 | Washer |
| 157 | 2432050 | Nut |
| 169 | 3745300 | Grommet |
| 170 | 4251110 | Throttle lever |
| 171 | 3320170 | Cable Tie |
| 172 | 3782610 | Tube |
| 177 | 3745460 | grommet |
| 178 | 3782600 | Minimum Screw Guide Tube |
| 184 | 4540611 | Suction Flange |
| 185 | 4253210 | Carburetor - DISCONTINUED |
| 188 | 3624230 | Tube for Oil Ducts |
| 189 | 4121208 | Clutch Drum |
| 191 | 3211080 | Electronic Coil cable |
| 242 | 8724090 | Kit Membrane-Gaskets Carburator |
| 254 | 3624210 | Bent Pipe |
| 255 | 4252050 | Oil Vent Pipe Assembly |
| ALPINA P 34 (2006) 1231121 Pag.2 | ||
| 3 | 2312090 | Washer |
| 23 | 3744170 | Anti-vibration rubber |
| 24 | 2135020 | Screw |
| 31 | 2321080 | Washer |
| 35 | 3642030 | Pin |
| 36 | 8561780 | Handle Guard assembly |
| 37 | 4250720 | Chain Link |
| 38 | 2312130 | Washer |
| 39 | 2412130 | Nut |
| 40 | 3642580 | Bushing |
| 43 | 3630740 | Pin |
| 44 | 4121710 | breake band Lever |
| 48 | 3653920 | Spring |
| 49 | 2312100 | Washer |
| 50 | 2123060 | Screw |
| 51 | 3630700 | Pin |
| 52 | 2312020 | Washer |
| 53 | 3314080 | Plug |
| 54 | 3613060 | Brake band |
| 56 | 4252440 | lutch carter assembly Yellow c |
| 61 | 3630540 | Hex Nut mm6 |
| 63 | 2172100 | Screw |
| 64 | 2123060 | Screw |
| 65 | 2312120 | Washer |
| 85 | 2135040 | Screw |
| 86 | 3613420 | Washer |
| 87 | 3630500 | Hexagonal insert |
| 91 | 2123180 | Screw |
| 92 | 3641590 | Pin |
| 93 | 3749510 | Knob |
| 94 | 3653810 | Spring |
| 95 | 2123170 | Screw |
| 97 | 3743350 | Safety Lever |
| 98 | 8561770 | Handle assembly |
| 99 | 3653910 | Spring |
| 100 | 3743330 | Throttle lever |
| 101 | 2122510 | Screw |
| 102 | 3641880 | Cable clamp |
| 103 | 2123140 | Screw |
| 105 | 2312010 | Washer |
| 106 | 8250740 | Fuel Tank Assembly |
| 107 | 8783140 | Intake Fuel Ass'y |
| 109 | 3743340 | Throttle lever |
| 111 | 4153970 | Throttle cable |
| 112 | 3320160 | Throttle Cable Sheath |
| 116 | 2135060 | Screw |
| 124 | 4152147 | Tank Cap Assembly |
| 125 | 4562310 | Handrail |
| 127 | 4561750 | Tank Cover |
| 158 | 112154330/0 | Nut |
| 160 | 3748810 | Plug |
| 161 | 3748800 | Starter handle |
| 162 | 3210970 | Stop switch |
| 163 | 3211520 | Earth cable |
| 165 | 3784030 | Starter rope |
| 166 | 4251060 | Starter Pulley |
| 167 | 4611480 | Starter Spring |
| 168 | 3723640 | Sterter Disk For Spring |
| 169 | 3745300 | Grommet |
| 187 | 8561790 | Starter Assembly Yellow To 31-august-2005 |
| 187 | 8561790/1 | Starter Assembly Yellow From 01-september-2005 |
| 196 | 4112270 | 12inch Guide Bar |
| 197 | 4113291 | 12inch chain |
| 197 | 4113700 | 12inch chain |
| 198 | 4181297 | 14inch cover |