- Online only


| Pos. | Item | Price | Buy | |
|---|---|---|---|---|
|
56
|
photo_cameraImage coming soon | 125601579/0 Pulley | €2.91 | |
|
63
|
photo_cameraImage coming soon | 322672152/0 WASHER X PM4850S | €1.62 | |
|
64
|
photo_cameraImage coming soon | 112155000/0 Nut | €1.66 | |
|
66
|
photo_cameraImage coming soon | 112295200/0 Nut | €1.62 | |
|
69
|
photo_cameraImage coming soon | 124487998/0 Cotter Pin | €1.91 | |
|
71
|
photo_cameraImage coming soon | 325670008/1 LOCK WASHER RM63.7 | €1.91 |
| Pos. | Item | Price | Buy | |
|---|---|---|---|---|
|
57
|
photo_cameraImage coming soon | 125040636/1 Bushing | €2.91 | |
|
59
|
photo_cameraImage coming soon | 112521360/0 Washer | €1.62 | |
|
77
|
photo_cameraImage coming soon | 112156602/0 Nut | €1.62 |
Informazioni sulle spedizioni e consegne saranno disponibili a breve.
| Trattorino ALPINA BT 66 (2014) 2T0045404/14 |
|||||
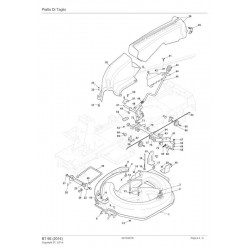
| 1 | 6 | ||||
| 1 | 325961220/0 | Volante | 1 | 384564114/0 | Piatto Di Taglio Nero |
| 2 | 327110487/0 | Copertura Piantone Sterzo, Nero | 2 | 325033086/0 | Attacco Tubo Acqua |
| 2 | 327110519/0 | Copertura Piantone Sterzo, Grigio St | 3 | 119035000/0 | Anello Or |
| 3 | 327110492/0 | Protezione Anteriore, Giallo | 4 | 384650107/0 | Rinforzo |
| 3 | 327110537/0 | Protezione Anteriore, Nera | 5 | 112815200/0 | Vite |
| 4 | 125943010/0 | Vite | 6 | 112292102/0 | Dado |
| 5 | 327110518/0 | Protezione Posteriore, Grigio Stiga | 7 | 327488001/0 | Pettine Anteriore |
| 6 | 112728300/0 | Vite | 8 | 112735402/0 | Vite |
| 7 | 327500501/0 | Pedana Destra | 9 | 112818690/0 | Vite To 31-august-2017 |
| 8 | 327500500/0 | Pedana Sinistra | 9 | 9897-0820-16 | Vite From 01-september-2017 |
| 9 | 112735402/0 | Vite | 10 | 327772175/0 | Staffa Anteriore |
| 10 | 327110516/0 | Copertura Centrale, Grigio To 31-august-2013 |
11 | 112154210/0 | Dado |
| 10 | 327110516/1 | Copertura Centrale, Grigio From 01-september-2013 To 31-august-2014 | 12 | 127294008/0 | Guidacinghia Puleggia |
| 10 | 327110567/0 | Copertura Centrale, Grigio From 01-september-2014 | 13 | 112292102/0 | Dado |
| 11 | 112728300/0 | Vite | 15 | 127580077/0 | Guida Cinghia |
| 12 | 327110533/0 | Copriruota Destro, Nero | 16 | 112293201/0 | Dado |
| 13 | 327110534/0 | Copriruota Sinistro, Nero | 17 | 112818690/0 | Vite To 31-august-2017 |
| 14 | 112727801/0 | Vite | 17 | 9897-0820-16 | Vite From 01-september-2017 |
| 15 | 112728300/0 | Vite | 18 | 327772179/0 | Staffa Sinistra |
| 16 | 327110517/0 | Copertura Telaio, Grigio To 31-august-2013 |
19 | 327772177/0 | Staffa Destra |
| 16 | 327110517/1 | Copertura Telaio Grigio From 01-september-2013 |
20 | 112154210/0 | Dado |
| 17 | 112437507/0 | Piastrina | 21 | 127510121/0 | Piastra |
| 19 | 125943010/0 | Vite | 22 | 327543043/0 | Piastra |
| 21 | 327110481/0 | Copertura Motore Nero To 31-august-2013 |
23 | 112154210/0 | Dado |
| 21 | 327110481/1 | Copertura Motore Nero From 01-september-2013 |
24 | 127840056/0 | Tirante Antereriore |
| 22 | 327110536/0 | Copertura, Nero | 25 | 112293200/0 | Dado |
| 24 | 327394004/0 | Maniglia Nera | 26 | 112585100/0 | Rondella |
| 25 | 327110535/0 | Copertura Sacco, Nero | 28 | 384108054/0 | Convogliatore |
| 26 | 184106074/0 | Sacco, Tela | 29 | 325774499/0 | Staffa |
| 27 | 112793101/0 | Vite | 30 | 327107505/0 | Convogliatore |
| 28 | 112583500/0 | Grower | 31 | 112815200/0 | Vite |
| 29 | 112523060/0 | Rondella | 32 | 325160039/0 | Distanziale |
| 31 | 325580503/0 | Placca Volante | 33 | 112292102/0 | Dado |
| 41 | 112818690/0 | Vite To 31-august-2017 | |||
| 2 | |||||
| 1 | 382547061/0 | Piastrina | 41 | 9897-0820-16 | Vite From 01-september-2017 |
| 2 | 122524970/3 | Perno | 42 | 112293200/0 | Dado |
| 3 | 112155010/0 | Dado | 43 | 125394510/0 | Manopola |
| 4 | 118203854/0 | Cappuccio | 45 | 327315135/0 | Leva Sollevamento Piatto |
| 5 | 327737500/0 | Cuffia | 46 | 127430595/0 | Molla |
| 6 | 127430589/0 | Molla | 47 | 384001035/0 | Asse To 31-august-2013 |
| 7 | 112728706/0 | Vite | 47 | 384001035/1 | Asse Fulcro Piatto From 01-september-2013 |
| 8 | 327110508/0 | Copertura Micro | 48 | 112521370/0 | Rondella |
| 9 | 384394751/0 | Micro Interruttore To 31-august-2013 | 49 | 122020050/0 | Anello |
| 9 | 384394751/1 | Micro Interruttore From 01-september-2013 | 50 | 112791400/0 | Vite |
| 10 | 112728686/0 | Vite | 51 | 325547231/0 | Piastrina |
| 12 | 325785379/0 | Supporto To 31-august-2013 | 52 | 325785350/0 | Supporto |
| 12 | 325785379/1 | Supporto From 01-september-2013 | 53 | 112154510/0 | Dado |
| 13 | 112691400/0 | Vite | 55 | 112691100/0 | Vite |
| 14 | 112521350/0 | Rondella | 56 | 125601579/0 | Puleggia |
| 15 | 327543047/0 | Piastra | 57 | 125040636/1 | Boccola |
| 16 | 125430263/0 | Molla | 58 | 327543037/0 | Pettine Guida |
| 17 | 125160048/0 | Distanziale | 59 | 112523060/0 | Rondella |
| 18 | 327787089/0 | Supporto | 60 | 112293201/0 | Dado |
| 19 | 112293201/0 | Dado | 61 | 384001037/0 | Asse |
| 20 | 112818690/0 | Vite | 62 | 127510125/0 | Perno |
| 21 | 327650131/0 | Rinforzo Superiore | 63 | 322672152/0 | Rondella Antifrizione |
| 22 | 112293201/0 | Dado | 64 | 112155000/0 | Dado |
| 23 | 327543039/0 | Piastrina di Supporto | 65 | 127840057/0 | Tirante |
| 24 | 327010209/0 | Angolare | 66 | 112295200/0 | Dado |
| 25 | 112818690/0 | Vite | 67 | 112155000/0 | Dado |
| 26 | 112293201/0 | Dado | 68 | 322672152/0 | Rondella Antifrizione |
| 27 | 112791200/1 | Vite | 69 | 124487998/0 | Coppiglia |
| 28 | 112154510/0 | Dado | 70 | 127510114/0 | Perno |
| 30 | 122675110/0 | Rondella | 71 | 325670008/1 | Rondella |
| 31 | 327869063/0 | Tubo | 72 | 112521360/0 | Rondella |
| 32 | 112819105/0 | Vite | 75 | 127510123/0 | Perno |
| 33 | 327543029/0 | Piastra | 76 | 112521360/0 | Rondella |
| 34 | 327772171/0 | Staffa Destra | 77 | 112156602/0 | Dado |
| 36 | 327772213/0 | Staffa Destra | ALPINA BT 66 (2014) 2T0045404/14 - 7 | ||
| 35 | 327772225/0 | Staffa Sinistra | 1 | 125394510/0 | Manopola |
| 37 | 327772215/0 | Staffa Sinistra To 31-august-2013 | 2 | 327315149/0 | Leva |
| 37 | 327772215/1 | Staffa Sinistra From 01-september-2013 | 3 | 127430595/0 | Molla |
| 38 | 112154210/0 | Dado | 4 | 112521370/0 | Rondella |
| 39 | 112691115/0 | Vite | 5 | 384317099/0 | Leva |
| 40 | 112154210/0 | Dado | 6 | 122020050/0 | Anello |
| 41 | 327543027/0 | Piastra | 7 | 125430208/1 | Molla |
| 42 | 112728300/0 | Vite | 8 | 127510122/0 | Staffa From 01-september-2014 |
| 43 | 322545142/0 | Piastrina | 8 | 127510122/1 | Staffa From 01-september-2014 |
| 44 | 112728300/0 | Vite | 9 | 112154210/0 | Dado |
| 45 | 127430554/0 | Molla To 31-august-2013 | 10 | 127510122/0 | Staffa To 31-august-2014 |
| 45 | 127430600/0 | Molla From 01-september-2013 | 10 | 127510122/1 | Staffa From 01-september-2014 |
| 46 | 112727801/0 | Vite | 11 | 384773577/0 | Staffa |
| 47 | 112728300/0 | Vite | 12 | 112154210/0 | Dado |
| 48 | 125943010/0 | Vite | 13 | 112815200/0 | Vite |
| 49 | 112437507/0 | Piastrina | 14 | 327734065/0 | Settore |
| 50 | 327543025/0 | Piastra | 15 | 112292102/0 | Dado |
| 51 | 384801145/0 | Telaio Bocca Sacco | 16 | 112000930/0 | Anello Benzing |
| 52 | 384801147/0 | Telaio Superiore Sacco | 17 | 112521350/0 | Rondella |
| 53 | 327650133/0 | Rinforzo Superiore | 18 | 325670011/0 | Rondella Antifrizione |
| 55 | 384180218/0 | Dotazione To 31-august-2013 | 19 | 125510085/1 | Perno |
| 55 | 384180218/1 | Dotazione Viteria | 20 | 384004606/0 | Filo Innesto Lame |
| 21 | 127840058/0 | Tirante To 31-august-2013 | |||
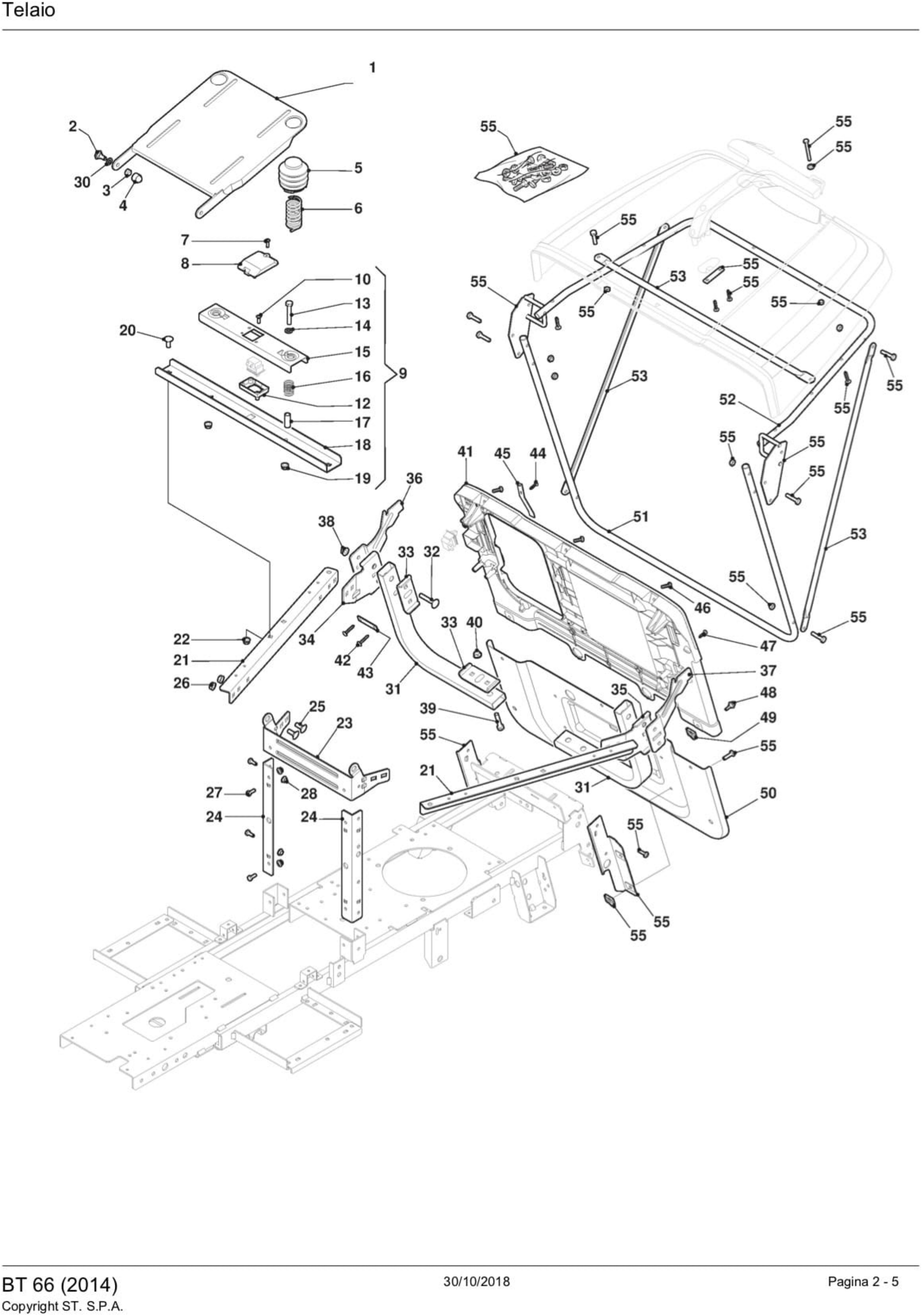
| 3 | |||||
| 1 | 384180219/0 | Dotazione Viteria | 21 | 127840058/1 | Tirante From 01-september-2013 |
| 2 | 127840055/0 | Tirante | 22 | 112293200/0 | Dado |
| 3 | 112540260/0 | Rosetta Dentellata | 23 | 127510126/0 | Perno |
| 4 | 112523070/0 | Rondella | 24 | 384307001/0 | Leva Galoppino To 31-august-2015 |
| 5 | 127160060/0 | Prolunga piantone | 24 | 384307001/1 | Leva Galoppino From 01-september-2015 |
| 6 | 325785419/0 | Supporto Volante | 25 | 325670011/0 | Rondella Antifrizione |
| 7 | 125670023/0 | Rondella | 26 | 112155000/0 | Dado |
| 8 | 122746617/0 | Snodo | 27 | 112691600/0 | Vite |
| 9 | 112735121/0 | Vite | 28 | 127604008/0 | Puleggia |
| 10 | 327787091/0 | Supporto Snodo | 29 | 112523060/0 | Rondella |
| 11 | 384773575/0 | Staffa Supporto Anteriore | 30 | 112155000/0 | Dado |
| 12 | 112620300/0 | Molla | 31 | 135061428/0 | Cinghia |
| 13 | 384520051/0 | Piantone Sterzo | 32 | 124487995/0 | Coppiglia |
| 14 | 327045073/0 | Boccola To 31-august-2013 | 33 | 325670011/0 | Rondella Antifrizione |
| 14 | 327045074/0 | Boccola From 01-september-2013 | 34 | 127034085/0 | Asta Collegamento |
| 15 | 125943004/0 | Vite | 35 | 112293200/0 | Dado |
| 16 | 112620210/0 | Spina Elastica | 36 | 127510126/0 | Perno |
| 17 | 127034091/0 | Asta | 37 | 112155000/0 | Dado |
| 18 | 112521350/0 | Rondella | 38 | 325670011/0 | Rondella Antifrizione |
| 19 | 327045072/0 | Boccola | 39 | 384220505/0 | Freno Lama |
| 22 | 124487995/0 | Coppiglia | 40 | 112155000/0 | Dado |
| 23 | 327869061/0 | Tubo | 41 | 127430592/0 | Molla Freno |
| 24 | 127047019/0 | Boccola | 42 | 112818690/0 | Vite To 31-august-2017 |
| 25 | 112000970/0 | Anello (Benzing) | 42 | 9897-0820-16 | Vite From 01-september-2017 |
| 26 | 112794950/0 | Vite | 43 | 112521350/0 | Rondella |
| 27 | 112523080/0 | Rondella | 44 | 112293201/0 | Dado |
| 28 | 127160062/0 | Distanziale | 45 | 112692395/1 | Vite To 31-august-2017 |
| 29 | 112585100/0 | Rondella | 45 | 112692395/2 | Vite From 01-september-2017 |
| 30 | 112295200/0 | Dado | 46 | 327772191/0 | Staffa |
| 31 | 327580500/0 | Placca | 47 | 127047021/0 | Boccola |
| 32 | 112791200/1 | Vite | 48 | 112523090/0 | Rondella |
| 33 | 327772199/0 | Staffa Anteriore | 49 | 112155020/0 | Dado |
| 34 | 112292102/0 | Dado | 50 | 112818700/0 | Vite |
| 35 | 112791200/1 | Vite | 51 | 112154210/0 | Dado |
| 36 | 112292102/0 | Dado | 52 | 112794400/0 | Vite |
| 37 | 112735122/0 | Vite To 31-august-2014 | 53 | 127047017/0 | Boccola |
| 37 | 112735122/1 | Vite From 01-september-2014 | 55 | 112139480/0 | Linguetta |
| 38 | 384783061/0 | Supporto Pedana | 56 | 127604014/0 | Puleggia |
| 39 | 127275000/0 | Gommino | 57 | 112793102/0 | Vite |
| 40 | 112735122/0 | Vite To 31-august-2014 | 58 | 112583500/0 | Grower |
| 40 | 112735122/1 | Vite From 01-september-2014 | 59 | 125670007/0 | Rondella |
| 41 | 327772165/0 | Staffa To 31-august-2013 | 60 | 384207251/0 | Flangia Albero Lama |
| 41 | 327772165/1 | Staffa From 01-september-2013 | 61 | 119216040/0 | Cuscinetto |
| 42 | 112792611/0 | Vite | 62 | 127023003/0 | Albero |
| 43 | 384783059/0 | Supporto Avantreno | 63 | 125430259/0 | Molla |
| 44 | 112293201/0 | Dado | 64 | 325160501/0 | Disco Parapolvere |
| 45 | 112791200/1 | Vite | 65 | 112609260/0 | Seeger |
| 46 | 327772209/0 | Staffa | 66 | 112818700/0 | Vite To 31-august-2017 |
| 47 | 112292102/0 | Dado | 66 | 9959-0825-16 | Vite From 01-september-2017 |
| 51 | 127294009/0 | Guidacinghia Puleggia | 67 | 112154210/0 | Dado |
| 52 | 127294010/0 | Guidacinghia Puleggia To 31-august-2013 |
68 | 112139100/0 | Linguetta |
| 52 | 127294010/1 | Guidacinghia Puleggia From 01-september-2013 |
69 | 125463200/0 | Mozzo Coltello |
| 53 | 112292102/0 | Dado | 70 | 184109505/0 | Coltello Alettato |
| 54 | 112154510/0 | Dado | 71 | 112508125/0 | Disco Elastico |
| 55 | 112521330/0 | Rondella | 72 | 112523080/0 | Rondella |
| 56 | 124487997/0 | Coppiglia | 73 | 112735694/0 | Vite |
| 61 | 112521390/0 | Rondella | 74 | 327315151/0 | Leva |
| 62 | 112000970/0 | Anello (Benzing) | 74 | 327315151/1 | Leva To 31-august-2014 |
| 64 | 125950000/0 | Valvola | ALPINA BT 66 (2014) 2T0045404/14 - 8 | ||
| 67 | 112001010/0 | Anello Benzing | 1 | 327060111/0 | Carter Protezione To 31-august-2013 |
| 68 | 125670005/2 | Rondella | 1 | 327060111/1 | Carter Protezione From 01-september-2013 |
| 69 | 184044013/0 | Cerchio Ruota Posteriore | 2 | 327060109/0 | Carter Protezione Cinghia Dx |
| 70 | 125950000/0 | Valvola | 3 | 327060108/0 | Carter Protezione Trasmissione To 31-august-2013 |
| 73 | 127122250/0 | Cuscinetto | 3 | 327060108/1 | Carter Protezione Trasmissione From 01-september-2013 |
| 4 | 327060110/0 | Carter Protezione Cinghia Sx | |||
| 4 | |||||
| 1 | 184000256/0 | Cavo Acceleratore | 5 | 125943011/0 | Vite To 31-august-2016 |
| 2 | 125943012/0 | Vite | 5 | 125943014/0 | Vite From 01-september-2016 |
| 3 | 112726388/0 | Vite | 6 | 112604899/0 | Fissatore A Corona |
| 4 | 125394501/0 | Manopola | 7 | 125943010/0 | Vite |
| 5 | 112290800/0 | Dado | ALPINA BT 66 (2014) 2T0045404/14 - 9 | ||
| 6 | 112735599/0 | Vite | 1 | 184040132/0 | Cablaggio To 31-august-2013 |
| 7 | 112540040/0 | Rondella | 1 | 184040132/1 | Cablaggio From 01-september-2013 To 31 august-2014 |
| 8 | 112735110/0 | Vite | 1 | 184040139/0 | Cablaggio - ISO From 01-september-2014 |
| 9 | 118738261/0 | Tubo | 2 | 118120010/0 | Batteria From 01-september-2015 |
| 10 | 118562996/0 | Rubinetto | 2 | 118120012/0 | Batteria To 31-august-2015 |
| 11 | 112735109/1 | Vite To 31-august-2014 | 3 | 182180051/0 | Kit carica batteria CE plug - 0,2A;To 31-august-2015 |
| 11 | 112735109/2 | Vite From 01-september-2014 | 3 | 182180051/0LC | Kit carica batteria CE plug - 0,2A;From 01-september-2015 |
| 12 | 112540070/0 | Rondella | 4 | 112360352/0 | Dado |
| 13 | 112691200/0 | Vite | 5 | 112735110/0 | Vite |
| 14 | 112521350/0 | Rondella | 6 | 118736110/0 | Relé Avviamento To 31-august-2016 |
| 15 | 112154210/0 | Dado | 6 | 118736113/0 | Relé Avviamento |
| 16 | 127790000/1 | Tappo Serbatoio | 7 | 118564861/1 | Cappuccio To 31-august-2017 |
| 17 | 327600180/0 | Protezione Serbatoio | 7 | 118564861/2 | Cappuccio From 01-september-2017 |
| 18 | 327869054/1 | Tubo Scarico | 8 | 119410618/0 | Micro Interruttore |
| 19 | 327733008/0 | Serbatoio | 9 | 119410606/0 | Micro Interruttore From 01-september-2013 |
| 20 | 112727801/0 | Vite | 9 | 119410613/0 | Micro Interruttore To 31-august-2013 |
| 21 | 112523040/0 | Rondella | 10 | 133500007/0 | Portafusibile |
| 22 | 125943010/0 | Vite | 11 | 133340040/0 | Fusibile 10 A |
| 23 | 118375051/1 | Fascetta | 12 | 133215000/0 | Coperchio |
| 24 | 325869035/1 | Tubo Collegamento | 13 | 118450075/1 | Interruttore Avviamento |
| 32 | 112543000/0 | Rondella | 14 | 118210023/0 | Chiave Avviamento |
| 34 | 327951200/0 | Ventola | 15 | 112728523/0 | Vite To 31-august-2013 |
| 35 | 114366874/0 | Etichetta From 01-september-2015 | 15 | 112728711/0 | Vite From 01-september-2013 |
| 35 | 114366905/0 | Etichetta To 31-august-2015 | 16 | 127600119/0 | Electronis Card Upper Protecti |
| 36 | 327772239/0 | Staffa | 17 | 127722354/0 | Scheda Elettronica To 31-august-2013 |
| 37 | 112791200/1 | Vite | 17 | 127722354/1 | Scheda Elettronica From 01-september-2013 To 31-august-2014 |
| 38 | 112154510/0 | Dado From 01-september-2014 | 17 | 127722359/0 | Scheda Elettronica From 01-september-2014 To 31-august-2015 |
| 38 | 112292102/0 | Dado To 31-august-2014 | 17 | 127722359/1 | Scheda Elettronica From 01-september-2015 |
| 39 | 122675110/0 | Rondella | 18 | 112729601/1 | Vite |
| 19 | 127600118/0 | Protezione Scheda Inferiore | |||
| 5 | |||||
| 1 | 325110391/0 | Copristaffa | 20 | 119410614/0 | Micro Interruttore |
| 2 | 384503013/0 | Pedale Freno | ALPINA BT 66 (2014) 2T0045404/14 - 10 | ||
| 3 | 127430594/0 | Molla | 1 | 125510021/1 | Perno |
| 4 | 384004607/0 | Cavo Comando Galoppino | 2 | 382033109/0 | Asta |
| 5 | 127510120/0 | Perno | 3 | 124487999/0 | Coppiglia |
| 6 | 112521350/0 | Rondella | 4 | 112794300/0 | Vite |
| 7 | 124487997/0 | Coppiglia | 5 | 112295200/0 | Dado |
| 8 | 112791400/0 | Vite | 6 | 112156602/0 | Dado |
| 9 | 325785350/0 | Supporto | 11 | 125253004/0 | Gancio Fissaggio Kit Mulching |
| 10 | 325547231/0 | Piastrina | 12 | 125840011/1 | Tirante |
| 11 | 112154510/0 | Dado | 13 | 325280000/1 | Impugnatura |
| 12 | 122524970/3 | Perno | 14 | 327394003/2 | Manico |
| 13 | 384002097/0 | Asta Comando Freno | 15 | 127510116/0 | Perno |
| 14 | 112154210/0 | Dado | 16 | 327140058/0 | Deflector, Rear |
| 15 | 127395050/1 | Manopola | 17 | 125430218/1 | Molla |
| 16 | 384004603/0 | Cavo Freno Motore | 18 | 327140057/0 | Deflector, Front |
| 17 | 127510120/0 | Perno | 19 | 112818700/0 | Vite |
| 18 | 325670011/0 | Rondella Antifrizione | 20 | 127047013/1 | Boccola |
| 19 | 124487997/0 | Coppiglia | 21 | 322672152/0 | Rondella Antifrizione |
| 21 | 112691900/0 | Vite | 22 | 112155000/0 | Dado |
| 22 | 127160065/0 | Distanziale | 23 | 125510022/1 | Perno |
| 23 | 122041980/0 | Boccola | 24 | 124487998/0 | Coppi |
| 24 | 384307003/0 | Leva Galoppino | 25 | 127510127/0 | Perno |
| 25 | 112523070/0 | Rondella | 26 | 327600181/0 | Parasassi Nero |
| 26 | 112155000/0 | Dado | 27 | 384150052/0 | Ass. Deflettore |
| 27 | 112691115/0 | Vite | Etichette 11 |
||
| 28 | 112523060/0 | Rondella | 1 | 114366875/0 | Etichetta |
| 29 | 127604015/0 | Puleggia | |||
| 30 | 127160064/0 | Distanziale | |||
| 31 | 112155000/0 | Dado | |||
| 32 | 127430594/0 | Molla | |||
| 33 | 112791200/1 | Vite | |||
| 34 | 322806619/0 | Supporto | |||
| 35 | 112292102/0 | Dado | |||
| 36 | 127510120/0 | Perno | |||
| 37 | 112521350/0 | Rondella | |||
| 38 | 124487997/0 | Coppiglia | |||
| 41 | 125394510/0 | Manopola | |||
| 42 | 384317097/0 | Leva Comando Marce | |||
| 43 | 125430226/0 | Molla | |||
| 44 | 384773579/0 | Staffa | |||
| 45 | 112692050/0 | Vite | |||
| 46 | 112155000/0 | Dado | |||
| 47 | 127510122/0 | Staffa | |||
| 48 | 327772197/0 | Staffa | |||
| 49 | 112154210/0 | Dado | |||
| 50 | 112791200/1 | Vite | |||
| 51 | 112292102/0 | Dado | |||
| 52 | 384004602/0 | Filo | |||
| 53 | 327772195/0 | Staffa Anteriore | |||
| 54 | 112792611/0 | Vite | |||
| 55 | 112293201/0 | Dado | |||
| 56 | 384004609/0 | Filo | |||
| 57 | 112791200/1 | Vite | |||
| 58 | 327787093/0 | Supporto | |||
| 59 | 112292102/0 | Dado | |||
| 60 | 327110509/0 | Portina Chiusura | |||
| 61 | 135061430/0 | Cinghia | |||
| 62 | 112292102/0 | Dado | |||
| 63 | 127294011/0 | Guidacinghia Puleggia | |||
| 64 | 112608950/0 | Seeger | |||
| 65 | 182601509/0 | Puleggia | |||
| 66 | 112139430/0 | Linguetta | |||
| 67 | 118400981/0 | Gruppo Trasmissione (Peerless MST-204-581A) | |||
| 68 | 112691800/0 | Vite | |||
| 69 | 112154210/0 | Dado | |||
| 70 | 125670005/2 | Rondella | |||
| 71 | 327772189/0 | Staffa | |||
| 72 | 112735150/0 | Vite | |||
| 73 | 112792611/0 | Vite | |||
| 74 | 112293201/0 | Dado | |||
| 75 | 112735520/0 | Vite | |||
| 76 | 112540040/0 | Rondella | |||
| 77 | 322680009/0 | Rondella | |||
| 78 | 327543055/0 | Piastra | |||
| 79 | 127430597/0 | Molla | |||
| 81 | 119410608/1 | Micro Folle (Mecc.) | |||
| 82 | 127065069/0 | Filo | |||