

Informazioni sulle spedizioni e consegne saranno disponibili a breve.
We are ALPINA authorized service center and original spare parts Distributors. We offer low prices and a professional repair service able to advise you for to purchase the most suitable spare part to quickly solve any maintenance and repair issues for Chain Saw Alpina A 4500 (2012) 228318000/RU.
In the following table, look for the model of the Chain Saw and the respective parts of the code.
| Alpina A 4500 (2012) 228318000/RU - Engine Pag.1 | ||
| # | Part Num. | Description |
| 1 | 118800217/0 | Cylinder Assy |
| 2 | 2432040 | Nut |
| 3 | 123657017/0 | Washer |
| 4 | 123657013/0 | Washer |
| 5 | 118550545/0 | Deflector |
| 6 | 118550546/0 | Muffler |
| 7 | 118550547/0 | Muffler Gasket |
| 8 | 118550548/0 | Screw |
| 9 | 2135030 | Screw |
| 10 | 3210024 | Spark Plug |
| 11 | 118550549/0 | Gasket |
| 12 | 118550550/0 | Intake Manifold |
| 13 | 2135180 | Screw |
| 14 | 118801151/0 | Seal Ring |
| 15 | 118550551/0 | Gasket |
| 16 | 118550552/0 | Piston Rings |
| 17 | 118800218/0 | Piston |
| 18 | 118550553/0 | Washer, Piston Pin |
| 19 | 118550554/0 | Piston Pin |
| 20 | 118550555/0 | Washer |
| 21 | 118550556/0 | Crankshaft |
| 22 | 118550557/0 | Needle Bearing |
| 23 | 118800959/0 | Woodruff Key |
| 24 | 118800219/0 | Spring |
| 25 | 118800220/0 | Support |
| 26 | 118800189/0 | Screw |
| 27 | 118800221/0 | Chain Guard |
| 28 | 2135040 | Vite |
| 29 | 118800222/0 | Breather Valve Ass.Y |
| 30 | 118800223/0 | Retainer |
| 31 | 118800224/0 | Cap |
| 32 | 118550596/0 | Spike |
| 33 | 2135180 | Screw |
| 34 | 118801152/0 | Body,Oil Filter |
| 35 | 118550558/0 | Oil Filter Ass.Y |
| 36 | 118550559/0 | Pickup Oil |
| 38 | 118550560/0 | Oil Pump Assy |
| 39 | 118801153/0 | Sponge Gasket |
| 40 | 118550561/0 | Oil Tube Outlet |
| 41 | 118801154/0 | Guide |
| 42 | 118550593/0 | Stud |
| 43 | 118550562/0 | Clutch Ass.Y |
| 47 | 118550563/0 | Sprocket Washer |
| 48 | 118550564/0 | Needle Bearing |
| 49 | 118550565/0 | Clutch Drum |
| 50 | 118550566/0 | Sprocket 325" |
| 50 | 118800620/0 | Sprocket 3/8" |
| 51 | 118550567/0 | Worm |
| 52 | 118800226/0 | Oil Pump Cap |
| 53 | 118550568/0 | Seal Ring |
| 54 | 3112170 | Ball Bearing |
| 55 | 118800227/0 | Grommet |
| 56 | 118800228/0 | Grommet |
| 57 | 118800229/0 | Choke Lever |
| 58 | 118800230/0 | Plate |
| 59 | 118550569/0 | Shock Absorber |
| 60 | 118800231/0 | Intake Manifold Assy |
| 61 | 118800232/0 | Guard |
| 62 | 118550570/0 | Intake-Carb Gasket |
| 63 | 118550571/0 | Heat Block |
| 64 | 118550572/0 | Carburetor |
| 65 | 118550573/0 | AIR INTAKE MANIFOLD |
| 66 | 118550574/0 | Air Filter Ass'y |
| 68 | 118800277/0 | Grommet |
| 69 | 118801157/0 | Double-Screw Bolt |
| 70 | 118800272/0 | Crank Case |
| 71 | 118800225/0 | Case Dustcover |
| 72 | 2135200 | Screw |
| 73 | 118800271/0 | Grommet |
| 74 | 118801159/0 | Ground Wire |
| 75 | 118800202/0 | Switch |
| 76 | 118801160/0 | Cap |
| 77 | 118800273/0 | Plate |
| 78 | 118801158/0 | Pin |
| 79 | 118800276/0 | Plate |
| 80 | 2312120 | Washer |
| 81 | 2132500 | Screw |
| 82 | 2132550 | Vite |
| 83 | 118550577/0 | Flywheel Assy |
| 84 | 123120004/0 | Nut |
| 87 | 118800233/0 | Oil Cap Assy |
| 88 | 118801161/0 | Tube |
| 89 | 118801162/0 | Nozzle |
| 90 | 112610002/0 | Snap Ring |
| 91 | 118800274/0 | Crank Case |
| 92 | 118801165/0 | Cap |
| 93 | 118550578/0 | Seal Ring |
| 94 | 118550579/0 | Electronic Coil |
| 95 | 118801163/0 | Stop Wire |
| 96 | 118801164/0 | Guard |
| 97 | 118550581/0 | Crankcase Gasket |
| 98 | 118800275/0 | Plate |
| 99 | 8724091 | Diaph.Gasket Set |
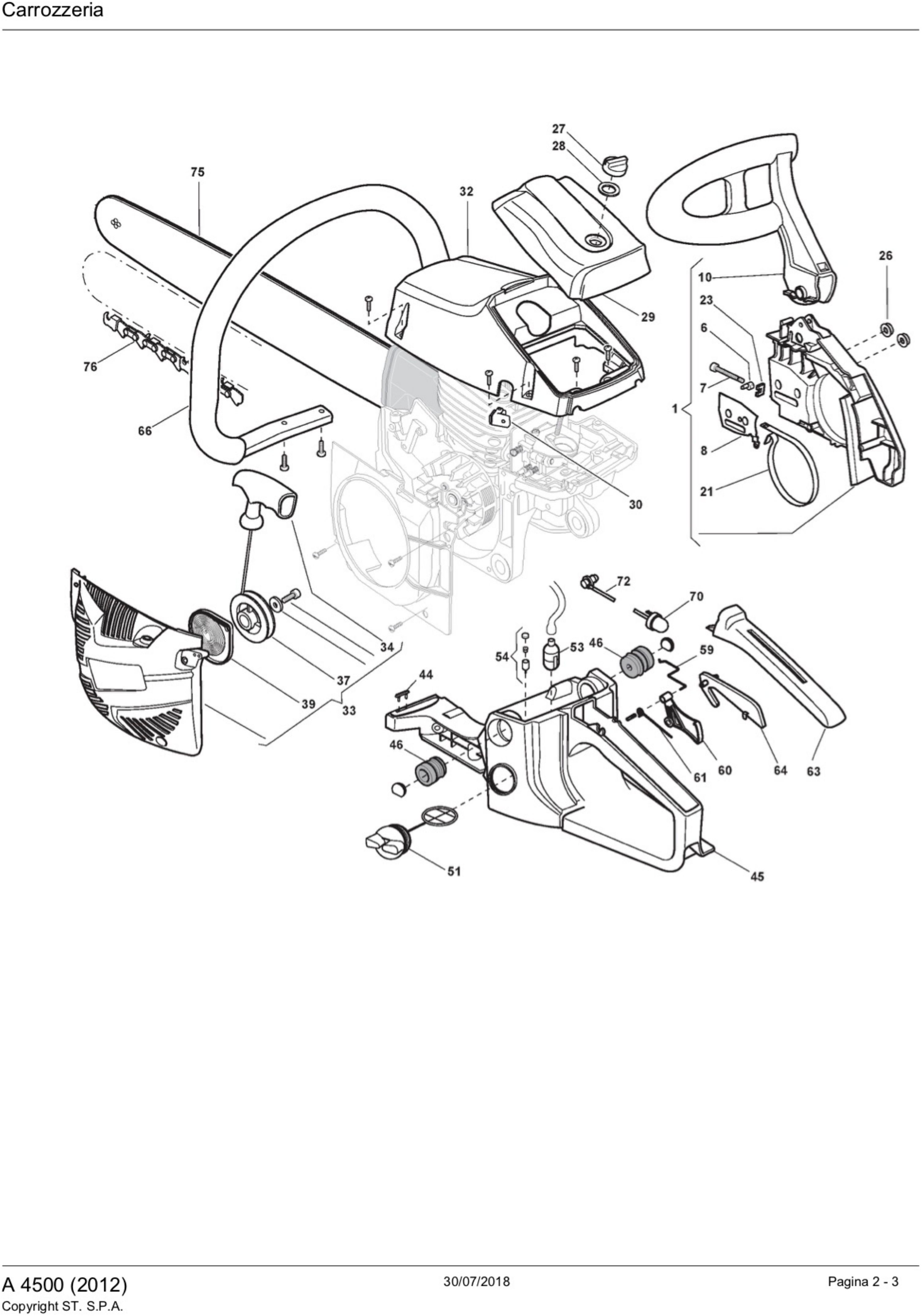
| A 4500 (2012) 228318000/RU - Housing Pag.2 | ||
| 1 | 118800160/0 | Clutch Ho. W/Br. Assy Black |
| 6 | 118800161/0 | Chain Tightener Block |
| 7 | 118800162/0 | Screw |
| 8 | 118800163/0 | Plate |
| 10 | 118800164/0 | Hand Guard |
| 21 | 118800165/0 | Brake Band |
| 23 | 118800166/0 | Plate |
| 26 | 118800186/0 | Nut |
| 27 | 118800167/0 | Knob |
| 28 | 118800258/0 | Gasket |
| 29 | 118800237/0 | Filter Cover Yellow |
| 30 | 118800270/0 | Grommet |
| 32 | 118800239/0 | Cylinder Cover Yellow |
| 33 | 118800168/0 | Assy Starter Black |
| 34 | 118800193/0 | Starter Handle |
| 37 | 118800169/0 | Starter Pulley |
| 39 | 118800280/0 | Starter Spring |
| 44 | 118800170/0 | Shock Absorber |
| 45 | 118800171/0 | Handle Assy |
| 46 | 118800172/0 | Shock Absorber |
| 51 | 118800241/0 | Fuel Cap Assy |
| 53 | 118800173/0 | Ass. Mix Hose |
| 54 | 118800175/0 | Breather Valve Ass.Y |
| 59 | 118800174/0 | Safety Lever |
| 60 | 118800176/0 | Throttle Lever |
| 61 | 118800177/0 | Spring |
| 63 | 118800178/0 | Handle Cover |
| 64 | 118800179/0 | Safety Lever |
| 66 | 118800180/0 | Handle |
| 70 | 118800181/0 | Primer |
| 72 | 118801150/0 | Connection |
| 75 | 118800130/0 | Guide Bar 18" .325 |
| 76 | 118801748/0 | Chain 18" .325 |