

Informazioni sulle spedizioni e consegne saranno disponibili a breve.
at the most competitive prices on the web, we are an authorized service center with repair service able to advise you on the purchase of the most suitable spare part to quickly resolve any maintenance or repair issues for Chain Saw A 455 (2018) - 204518000.
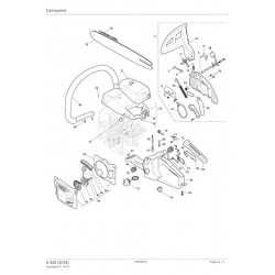
In the following table, look for the model of the Chain Saw and the respective parts of the code.
| ALPINA A 455 (2018) - 204518000/ALP - Engine Pag.1 | ||
| # | Part Num. | Description |
| 1 | 118800217/0 | Cylinder Assy |
| 2 | 2432040 | Nut |
| 3 | 123657017/0 | Washer |
| 4 | 123657013/0 | Washer |
| 5 | 118550545/0 | Cover Plate |
| 6 | 118550546/0 | Muffler |
| 7 | 118550547/0 | Muffler Gasket |
| 8 | 118550548/0 | Screw |
| 9 | 2135030 | Screw |
| 10 | 3210024 | Spark Plug |
| 11 | 118550549/0 | Intake Manifold Gasket |
| 12 | 118550550/0 | Intake Manifold |
| 13 | 2135180 | Screw |
| 14 | 118801151/0 | Seal Ring |
| 15 | 118550551/0 | Cylinder Base Gasket |
| 16 | 118550552/0 | Piston Rings |
| 17 | 118800218/0 | Piston |
| 18 | 118550553/0 | Washer, Piston Pin |
| 19 | 118550554/0 | Piston Pin |
| 20 | 118550555/0 | Needle Bearing |
| 21 | 118550556/0 | Crankshaft |
| 22 | 118550557/0 | Needle Bearing |
| 23 | 118800959/0 | Key |
| 24 | 118800219/0 | Spring |
| 25 | 118800220/0 | Support |
| 26 | 118800189/0 | Screw |
| 27 | 118800221/0 | Chain Guard |
| 28 | 2135180 | Screw |
| 29 | 118800222/0 | Breather Valve Ass.Y |
| 30 | 118800223/0 | Retainer |
| 31 | 118800224/0 | Cap |
| 32 | 118550596/0 | Spike |
| 33 | 2135180 | Screw |
| 34 | 118550558/0 | Oil Filter Ass.Y |
| 35 | 118801152/0 | Body,Oil Filter |
| 36 | 118550559/0 | Pickup Oil |
| 37 | 2135180 | Screw |
| 38 | 118550560/0 | Oil Pump Assy |
| 39 | 118801153/0 | Sponge Gasket |
| 40 | 118550561/0 | Oil Tube Outlet |
| 41 | 118801154/0 | Guide |
| 42 | 118550593/0 | Screw |
| 43 | 118550562/0 | Clutch Ass.Y |
| 47 | 118550563/0 | Washer |
| 48 | 118550564/0 | Needle Bearing |
| 49 | 118550565/0 | Clutch Drum Assy |
| 50 | 118550566/0 | Sprocket 325" |
| 51 | 118550567/0 | Worm |
| 52 | 118800226/0 | Oil Pump Cap |
| 53 | 118550568/0 | Seal Ring |
| 54 | 3112030 | Ball Bearing |
| 55 | 118800227/0 | Grommet |
| 56 | 118800228/0 | Grommet Air-Lever |
| 57 | 118801155/0 | Choke Lever |
| 58 | 118800230/0 | Plate |
| 59 | 118550569/0 | Shock Absorber |
| 60 | 118800231/0 | Intake Manifold Assy |
| 61 | 118800232/0 | Guard |
| 62 | 118550570/0 | Plate |
| 63 | 118550571/0 | Tube Flange |
| 64 | 118550572/0 | Carburetor |
| 65 | 118550573/0 | AIR INTAKE SOCKET |
| 66 | 118801156/0 | Knob |
| 67 | 118550574/0 | Air Filter Ass'y |
| 68 | 118801157/0 | Double-Screw Bolt |
| 69 | 118800277/0 | Grommet |
| 70 | 2135180 | Screw |
| 71 | 118800272/0 | Crank Case |
| 72 | 118800225/0 | Case Dustcover |
| 73 | 118801158/0 | Pin |
| 74 | 118801159/0 | Ground Wire |
| 75 | 118801160/0 | Cap |
| 76 | 118800273/0 | Plate |
| 77 | 2135030 | Screw |
| 78 | 118800276/0 | Plate |
| 79 | 123657017/0 | Washer |
| 80 | 2135180 | Screw |
| 81 | 2135180 | Screw |
| 82 | 118550577/0 | Flywheel Ass.Y |
| 83 | 123120004/0 | Nut |
| 84 | 118800762/0 | Oil Tank Cap |
| 88 | 118801161/0 | Tube |
| 89 | 118801162/0 | Nozzle |
| 90 | 118800274/0 | Crank Case |
| 91 | 112610002/0 | Snap Ring |
| 92 | 118550578/0 | Seal Ring |
| 93 | 118550579/0 | Electronic Coil |
| 94 | 118801163/0 | Stop Wire |
| 95 | 118801164/0 | Guard |
| 96 | 118801165/0 | Cap |
| 97 | 118550581/0 | Crankcase Gasket |
| 98 | 118800275/0 | Bar Plate |
| ALPINA A 455 (2018) - 204518000/ALP - Housing Pag.2 | ||
| 1 | 118801131/0 | Right Cover, Yellow |
| 5 | 123753001/0 | Pin |
| 6 | 118801067/0 | Screw |
| 7 | 118801065/0 | Chain Tightener Block |
| 8 | 118800163/0 | Bar Plate |
| 9 | 118800189/0 | Screw |
| 10 | 118801132/0 | Hand Guard |
| 11 | 118800746/0 | Brake Spring |
| 14 | 323670001/0 | Plate |
| 15 | 118800745/0 | Front Guard Spring |
| 17 | 383315051/0 | Chain Brake Lever |
| 20 | 118801134/0 | Spring |
| 21 | 118800165/0 | Brake Band |
| 23 | 118801066/0 | Pinion |
| 24 | 118801135/0 | Chain Guard |
| 26 | 118801136/0 | Case Dust Cover |
| 28 | 118800748/0 | Balance Weigth |
| 30 | 118800186/0 | Nut |
| 31 | 118801133/0 | Filter Cover Black |
| 32 | 123878024/0 | Screw |
| 33 | 118801138/0 | Cylinder Cover Yellow |
| 35 | 118800768/0 | Knob |
| 36 | 118800740/0 | Pin |
| 37 | 118801166/0 | Guide |
| 38 | 118801139/0 | Air Guide |
| 39 | 118801141/0 | Starter Assy, Yellow |
| 40 | 118800189/0 | Screw |
| 42 | 118800169/0 | Starter Pulley |
| 43 | 118800280/0 | Starter Spring |
| 44 | 118801142/0 | Starter handle |
| 45 | 118801178/0 | Wire |
| 47 | 118800170/0 | Shock Absorber |
| 48 | 118801145/0 | Handle Assy, Yellow |
| 49 | 118800172/0 | Shock Absorber |
| 51 | 118800761/0 | Fuel Cap Assy |
| 55 | 118801146/0 | Fuel Hose |
| 57 | 118800173/0 | Intake Filter Assy |
| 58 | 118800175/0 | Breather Valve Ass.Y |
| 59 | 118800744/0 | Grommet |
| 60 | 118800174/0 | Throttle Rod |
| 61 | 118800176/0 | Throttle Lever |
| 62 | 118800177/0 | Spring |
| 63 | 118801147/0 | Pin |
| 64 | 118801148/0 | Handle, Upper Part,Black |
| 65 | 118800179/0 | Safety Lever |
| 66 | 118800189/0 | Screw |
| 67 | 118800202/0 | Switch |
| 68 | 118801149/0 | Handle bar |
| 69 | 118800189/0 | Screw |
| 70 | 118801150/0 | Scavenge Nozzle |
| 71 | 118800204/0 | Pipe |
| 72 | 118800181/0 | Primer |
| 75 | 118800130/0 | Guide Bar 18"-.325"-0,058" |
| 76 | 118801748/0 | Chain 18inch |